你提供的照片可能用于改善必应图片处理服务。
隐私政策
|
使用条款
无法使用此链接。检查链接是否以 "http://" 或 "https://" 开头,然后重试。
无法处理此搜索。请尝试其他图像或关键字。
试用视觉搜索
使用图像搜索、识别对象和文本、翻译或解决问题
将一个或多个图像拖到此处,
上传图像
或
打开相机
将图像放到此处以开始搜索
要使用可视化搜索,请在浏览器中启用相机
English
全部
搜索
图片
灵感
创建
集合
视频
地图
资讯
更多
购物
航班
旅游
笔记本
自动播放所有 GIF
在这里更改自动播放及其他图像设置
自动播放所有 GIF
拨动开关以打开
自动播放 GIF
图片尺寸
全部
小
中
大
特大
至少... *
自定义宽度
x
自定义高度
像素
请为宽度和高度输入一个数字
颜色
全部
仅限颜色
黑白
类型
全部
照片
剪贴画
素描
动画 GIF
透明
版式
全部
方形
横版
高
人物
全部
仅脸部
半身像
日期
全部
过去 24 小时
过去一周
过去一个月
去年
授权
全部
所有创作共用
公共领域
免费分享和使用
在商业上免费分享和使用
免费修改、分享和使用
在商业上免费修改、分享和使用
详细了解
清除筛选条件
安全搜索:
中等
严格
中等(默认)
关闭
筛选器
2048×1536
forum.arduino.cc
Multiplexing code.... - LEDs and Multiplexing - Arduino Forum
711×843
forum.arduino.cc
Multiplexing UART - Networking, Protocols, an…
1000×750
forum.arduino.cc
Demo of multiplexing - LEDs and Multiplexing - Arduino Forum
795×750
forum.arduino.cc
Beginner Multiplexing issues - LEDs and Multiplexing - Arduino Forum
1200×600
github.com
GitHub - TacticalCode/arduino-ledmatrix-multiplexing: This is an example program to show …
1275×869
forum.arduino.cc
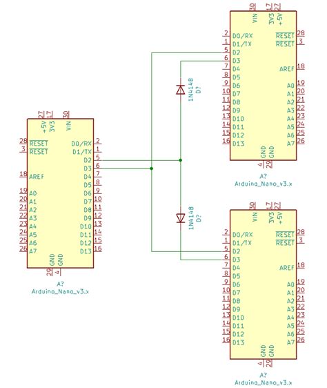
Syncing/Linking Multiple Multiplexing - LEDs and Multiplexing - Arduino Forum
1103×644
forum.arduino.cc
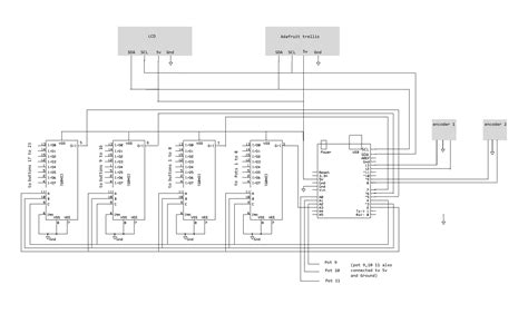
Multiplexing Rotary Encoders - LEDs and Multiplexing - Arduino Forum
2070×2773
forum.arduino.cc
Basic Multiplexing Question - LED…
2988×1780
forum.arduino.cc
Multiplexing and I2C - LEDs and Multiplexing - Arduino Forum
1217×654
forum.arduino.cc
Advice on multiplexing sensors - LEDs and Multiplexing - Arduino Forum
1080×1298
forum.arduino.cc
Multiplexing LED 3x3 Arduino lear…
690×362
forum.arduino.cc
Multiplexing LED 3x3 Arduino learning - LEDs and Multiplexing - Arduino Forum
1600×1113
blogspot.com
The Code Inn: Arduino and Multiplexing
1600×1200
blogspot.com
The Code Inn: Arduino and Multiplexing
600×405
forum.arduino.cc
Multiplexing multiple analog values - Programming - Arduino Forum
1509×1384
forum.arduino.cc
Multiplexing with control_surface - LEDs and M…
2025×1657
storage.googleapis.com
Multiplexing In Arduino at Mark Dunning blog
1920×2550
storage.googleapis.com
Multiplexing In Arduino at Mark …
2100×1749
storage.googleapis.com
Multiplexing In Arduino at Mark Dunning blog
690×388
forum.arduino.cc
Issues With Multiplexing 16 to 1 - LEDs and Multiplexing - Arduino Forum
1024×576
forum.arduino.cc
Help with Multiplexing DISPLAY PROBLEM - LEDs and Multiplexing - Arduino Forum
1024×577
forum.arduino.cc
"Multiplexing" an external digital signal with Arduino digital signal to single output - General ...
933×544
blogspot.com
RCArduino: Multiplexing RC Channels with Arduino
578×389
blogspot.com
RCArduino: Multiplexing RC Channels with Arduino
2100×1575
www.instructables.com
Multiplexing With Arduino - Transistors (I Made It at Tech…
1024×623
www.pinterest.com
Multiplexing 4 LCD Display with Arduino UNO
1024×636
fity.club
Uln2803apg Arduino
1701×1000
pinnaxis.com
16 Channel Analog Multiplexer Arduino USA Sale | www.pinnaxis.com
455×320
forum.arduino.cc
Multiplexer debug - Hardware Development - Arduino Forum
1169×827
oshwlab.com
Multiplex arduino - Platform for creating and sharing projects - O…
1365×1024
Instructables
Multiplexing With Arduino and the 74HC595 : 14 Steps (with Pictures) - Ins…
1920×872
forum.arduino.cc
Optimising multiplexer connection - Product Design - Arduino Forum
3024×4032
www.reddit.com
Managed to write my own multiplexi…
1920×2560
forum.arduino.cc
Multiplexer implementation - …
1920×938
forum.arduino.cc
Problem with multiplexer - General Guidance - Arduino Forum
某些结果已被隐藏,因为你可能无法访问这些结果。
显示无法访问的结果
查看更多图片
为你推荐的项目
广告
报告不当内容
请选择下列任一选项。
无关
低俗内容
成人
儿童性侵犯
反馈